Skip to content

Profile Basis 40 mm

Profil czterofrontowy Softline
40×40 Typ C10-0

SL40

Profil czterofrontowy Softline

40×80 Typ C10-3

SL4080

Profil czterofrontowy Softline

80×80 Typ D10-4

SL-8080

Anwendung

In der Reinraumtechnik oder im Nahrungsmittelbereich bzw. überall, wo keine offenen Nuten und glatte Oberflächen gewünscht sind, finden diese Profile Anwendung. Dank den Aufreissnuten sind dennoch alle Verbindungsmöglichkeiten garantiert.

Anwendung

H. Für den gleichen Anwendungszweck wie C10–0, jedoch mit größerer Stabilität aufgrund der Dimension 40x80mm.

Anwendung

Dieses leichte, komplett geschlossene Profil mit der Dimension 80×80 findet zusammen mit dem 40×40 und 40×80 der Softline-Profilreihe Anwendung in der Reinraumtechnik und bei ästhetischen Applikationen, wo keine Nuten erwünscht sind. Die Nuten können jeweils, dank der Sollbruchstelle, einfach geöffnet werden. Die bewährte KANYA-Verbindungstechnik kann problemlos eingesetzt werden. Nuten im Nachhinein verschließen, ist ineffizient und teuer! Ein partielles Öffnen der Nute ist kein Problem, somit können auch Flächenelemente in den Konstruktionen in die Nuten eingelegt werden.

Profil super lekki
40×40 Typ C03-1

Slekki40

Profil lekki

40×40 Typ C02-1

Lekki40

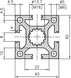
Profil podstawowy

40×40 Typ C01-1

Podst40

Anwendung
Diese Leichten helfen Kosten sparen! Bei geringen Gewichten können durchaus tragfähige Konstruktionen realisiert werden.

Anwendung

Universell einsetzbar für Konstruktionen aller Art. Die Profile der Basis 40 sind eine ideale Ergänzung zu denjenigen der Basis 20, 30 und 50. Das Grundprofil selbst ist außerordentlich stabil und in seiner Wirtschaftlichkeit kaum zu überbieten.

Profil frontowy
40×40 Typ C01-8

Front40-1

Profil narożny

40×40 Typ C01-7

Narozny40

Profil dwufrontowy

40×40 Typ C02-4

DwuFront40

Anwendung

Universell einsetzbar für Konstruktionen aller Art. Die Profile der Basis 40 sind eine ideale Ergänzung zu denjenigen der Basis 20, 30 und 50. Das Grundprofil selbst ist außerordentlich stabil und in seiner Wirtschaftlichkeit kaum zu überbieten.

Anwendung

Teilweise geschlossene Profile überzeugen im Design, verschmutzen weniger stark und können dennoch vielseitig eingesetzt werden.

Anwendung

Für Verkleidungen aller Art sowie Konstruktionen mit mehrheitlich geschlossenen Profilfronten und für Anwendungen mit elegantem Design.

Profil frontowy do zabudowy
40×40 Typ C02-2

FrontZabud40

Profil narożny do zabudowy

40×40 Typ C02-7

NarZabud40

Profil kątowy 45°

Typ C04-4

Katowy45st

Anwendung
Die Front- und Eck-Verkleidungsprofile sind mit Aufreissnuten versehen. Diese ermöglichen den Einsatz von Flächen Elementen in der Frontverlängerung.

Anwendung
Anwendung Für abgewinkelte Konstruktionen oder als Winkelelement für 45º Verstrebungen.

Profil kątowy

40×45° Typ C02-8

Katowy4045st

Profil półokrągły

40×40 Typ C03-8

PolOkr40

Profil lekki 40×80

Typ C02-3

Lekki4080

Anwendung

Das Winkelprofil C02–8 erlaubt elegante und weiche Konturen und ermöglicht trotzdem einen universellen Einsatz für unterschiedlichste Konstruktionen.

Anwendung

Arbeitstische, Möbel, Vitrinen, Bilderrahmen, überall wo störende Kanten unerwünscht sind.

Anwendung

Anwendung Diese Profile können Medien speichern, Lasten tragen, Gewinde aufnehmen und vieles mehr. Somit bieten sie die Möglichkeit, individuelle Problemstellungen perfekt zu lösen. Und da sie sich zudem mit dem 20er, 30er und dem 50er System kombinieren lassen, steht eines fest: Mit diesen Konstruktionsprofilen kann man im wahrsten Sinne des Wortes

Profil podstawowy

40×80 Typ C01-3

Podst4080

Profil frontowy

40×80 Typ C01-5

Front4080-1

Profil lekki 40×120

Typ C03-9

Lekki40120

Anwendung

Anwendung Diese Profile können Medien speichern, Lasten tragen, Gewinde aufnehmen und vieles mehr. Somit bieten sie die Möglichkeit, individuelle Problemstellungen perfekt zu lösen. Und da sie sich zudem mit dem 20er, 30er und dem 50er System kombinieren lassen, steht eines fest: Mit diesen Konstruktionsprofilen kann man im wahrsten Sinne des Wortes bauen.

Anwendung

Wie alle teilweise geschlossenen Profile. Immer dort, wo Verunreinigungen minimiert werden müssen und keine Nuten erwünscht sind.

Anwendung

Anwendung Das Leichtprofil 40×120 wird als kostengünstige Traverse eingesetzt.

Profil lekki

40×120 Typ C03-9

Lekki40120-1

Profil nośny

40×160 Typ C02-9

Nosny40160

Profil kątowy

80x80x40 Typ C01-6

Katowy808040

Anwendung

Das Profil C01–9 erfüllt bei leicht geringerer Belastbarkeit die gleichen Eigenschaften wie das Trägerprofil 50×150 MA1–3.

Anwendung

Ein vielseitig einsetzbares Profil, besonders bei Konstruktionen mit hoher Belastung und grossen Spannweiten. Es kann auch als Mehrfachleitung für diverse Medien verwendet werden.

Anwendung

Für hochbelastete Maschinen- und Apparaterahmen, die starke Eckpartien fordern und dennoch platzsparend sein müssen sowie ein gutes Preis-Leistungs-Verhältnis

Profil podstawowy

80×80 Typ C01-4

Podst80

Profil lekki
80×80 Typ C03-4

Lekki80

Profil nośny
80×120 Typ MC1-2

Nosny80120

Anwendung

Vorwiegend als Stützen eingesetzt. Aber auch als Traverse bei höheren Belastungen und natürlich als Medienspeicher sehr gut geeignet. Der grosse Hohlraum kann gut als Führung von Lastenausgleichsgewichten genutzt werden. Ein Profil für ideenreiche Konstrukteure.

Anwendung

Ein universelles Profil mit optimalen statischen Werten für den Portalbau und allgemeine Konstruktionen mit hohen Belastungen.

Profil ciężki

80×160 Typ MC1-9

Ciezki80160

Anwendung

Anwendung Ein hoch belastbares Profil für den Portalbau und allgemeine Konstruktionen mit hoher Belastung oder mit großen freitragenden Längen.