Skip to content

Profile Basis 20 mm

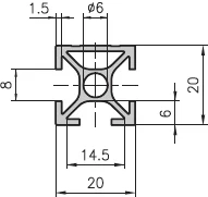
Profil podstawowy
20×20 Typ D01-5

Podst20

Profil narożny

20×20 Typ D01-3

Naroz20

Profil frontowy

20×20 Typ D01-8

Front20

Anwendung

E. Die Profile 20×20/40 sind aufgrund der relativ geringen Gewichte und Festigkeitswerte nur für kleine Belastungen einsetzbar, z.B. Endschalterbefestigungen, filigrane Rahmen, kleine Vitrinen etc. Bei allen D-Profilen mit Bohrungen Ø6 können M6-Gewindeeinsätze Heli Coil (DIN 8140) eingesetzt werden. Bearbeitungscode: H3/H4. Die Profile 20×20/40 eignen sich zudem als Verstärkungs- oder Auflageprofile hinter Flächenelementen, die in Kombination mit den Verkleidungsprofilen der Basis 30 eingesetzt werden (siehe Skizze).

Profil półokrągły

20×20 Typ D03-8

PolOkro20

Profil frontowy

20×40 Typ D02-8

Front2040

Profil podstawowy

20×40 Typ D01-7

Podst2040

Anwendung

Kleine Bilderrahmen sowie dekorative Anwendungen.

Anwendung

Ein vielseitig einsetzbares Profil, das auch sehr einfach mit den Profilen der Basis 40 kombiniert werden kann. Die Zentrumsöffnung Ø12.1 ist extra für die Aufnahme des großen PVS-Verbinders geschaffen worden und somit sind die Anwendungsmöglichkeiten noch vielfältiger.

Anwendung

In unserem Sortiment sind auch Sonderquerschnitte für Zubehör oder den Baukasten ergänzende Aluprofile. Von den Nutleisten über Winkelprofile aber auch 19” Profile sind bei uns als Stangen oder Zuschnitte erhältlich.
Auf den folgenden Seiten sind diese speziellen Querschnitte abgebildet mit Maßangaben.
Einige dieser Profile sind roh am Lager, da wir diese zu Zubehörteilen selber nachbearbeiten und die erst im Nachhinein eloxiert werden. Auf Kundenwunsch fertigen wir auch Spezialzubehör aus unseren Profilen.